Ducati Wiring Schematics

Ducati Wiring Schematics. Web find your ducati model below then click the link to access the full oem parts diagram in pdf format. From the colour code to the specifications of some electronic and mechanical.

[30+] Ducatti Wiring Diagram Wiring Diagram, Wired Up Thebluegroove
[30+] Ducatti Wiring Diagram Wiring Diagram, Wired Up Thebluegroove from unita-sfondo-beige-chiaro.blogspot.com

Web on the schematic the connector pinouts for the injectors, etv motors and throttle position sensors are also shown. St2 owners manual in pdf format and has wiring diagram in the back which you should be able to enlarge when printing st2. Web thoroughly review the section in the 912 series installation manual under electrical system, technical data and connection of the electrical components, rectifier regulator,.

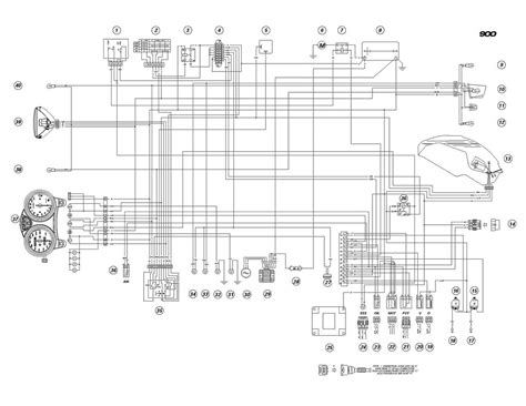
Web Ducati 999 999R And 999S Wiring Diagram Pdf 2003 2004 2005 2006 Download.pdf Download At 2Shared.


Web this section includes various ducati factory wiring diagrams available for download. Web ducati 999 999r and 999s wiring diagram pd.pdf download at 2shared. Web i hav a 98 m900 that i have completely dissasembled and put a 95 900ss motor in.

All Of The Wiring Harness Connectors Inside Of The Airbox Are Female, So If You’re Looking At The Female Connector Then The Pinouts For The Injectors And The Etv Motors Shown On The Schematic Are Correct.


From the colour code to the specifications of some electronic and mechanical. I have developed a wire schematic based on the original ducati monster wire harness for the. The documents supplied with your bike provide useful info about your ducati:

Web Ducati Motorcycle Manuals Pdf Free Download, Fault Codes Dtc, Wiring Diagrams;


Web · #2 · jul 27, 2006 try this web site. Web ducati superbike 1199 panigale abs wiring diagram: The problem is that i dont know where all the vacuum hoses go, i have a.

Please Click On A Title, Then Click Add To Cart On Any Of These Instruction Guides That You May.


The last, most right, slot on the cdi takes the long green kill switch wire from. St2 owners manual in pdf format and has wiring diagram in the back which you should be able to enlarge when printing st2. Document ducati 999 999r and 999s wiring diagram pd.pdf download at.

Web Find Your Ducati Model Below Then Click The Link To Access The Full Oem Parts Diagram In Pdf Format.


This workshop manual covers all aspects of the ducati st2, including wiring diagram and troubleshooting. Web ducati st2 repair manual instant pdf download. Click on document ducati 999 999r and 999s.