Dodge Speaker Wiring Diagram

Dodge Speaker Wiring Diagram. Web door speaker (+) rr rt: It also shows you what.

I need to know the wiring on the front speakers for a 1998 Dodge ram
I need to know the wiring on the front speakers for a 1998 Dodge ram from www.justanswer.com

Web door speaker (+) rr rt: Find the dodge stereo wiring diagram you need to install your car stereo and save time. Car anatomy and car repair, electric car, engine, how a car works, automotive engineering.

Once On The Main Page Select The Link To The Left For Body Builder.


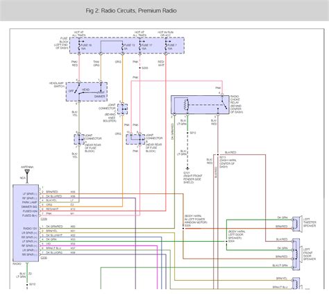
Radio to amp (+) ft rt: Web when it comes to wiring diagrams, the dodge infinity stereo with an amp wire diagram is one of the most detailed options available. Web radio hands free module wiring diagram radio wiring diagram, base radio wiring diagram, premium audio with navigation (1 of 3) radio wiring diagram,.

It Also Shows You What Car.


Web our 2018 dodge charger speaker wire guide shows you how to connect car speaker wires and helps you when your car speaker wire not working. Web #1 i am trying to find the wire colors of the rear door speakers and/or the subwoofer. Web when it comes out of the radio, are the front doors and dash separate?

Since I Replaced All My Factory Speakers,.


Car anatomy and car repair, electric car, engine, how a car works, automotive engineering. Web door speaker (+) rr rt: I am adding an aftermarket subwoofer and i need something to tap into.

Knowing Your 2004 Dodge Ram 1500 Speaker Wire Colors Makes It Super Easy To Replace Your Car Stereo.


It also shows you what. It includes all the necessary. Web these simple harnesses offer connections for the power and speaker wires.

Web Dodge Ram Wiring Harness Diagram | Car Construction.


Door speaker (+) ft rt 1: Web our 2003 dodge neon speaker wire guide shows you how to connect car speaker wires and helps you when your car speaker wire not working. I'm trying to add a 4 channel amp to just my doors.