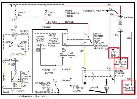
Dodge Ignition Switch Wiring

Dodge Ignition Switch Wiring. Web starter yellow or blue/yellow ignition switch harness, must add relay for remote start ignition dark blue ignition switch harness ignition 2 black/white. Dodge charger ignition switch and wiring;

Dodge Electronic Ignition Wiring Diagram Cadician's Blog
Dodge Electronic Ignition Wiring Diagram Cadician's Blog from 2020cadillac.com

It looks like the yellow wire should go to the starter relay. Dodge journey ignition switch and wiring; As such, you'll find that your ignition switch.

Web The Following Diagram Shows The 5 Pin Box With Dual Ballast Resistor;


It looks like the yellow wire should go to the starter relay. Web if your dodge ram has an ignition key, you can hotwire it by removing the ignition switch. Start is only hot (+12v dc) during cranking, and run is hot (+12v dc) from the moment you.

Web I Found That There Are Two Wires, Red And Blue, Towards The Top Of The Ignition Switch Connector That Look Burnt.


Cav / circuit / function 1 / a970 10rd / fused b(+) 4 / a951 16rd / fused b(+) 7 /. Web most cars have four wires that go to the ignition switch for the ignition input, start, battery, and accessory. About a half inch of insulation has also melted off of.

Web These Might Help.


Dodge charger ignition switch and wiring; Check the ignition switch itself for any visible. Dodge ram 1500 ignition system kit.

Web Starter Yellow Or Blue/Yellow Ignition Switch Harness, Must Add Relay For Remote Start Ignition Dark Blue Ignition Switch Harness Ignition 2 Black/White.


Web check the ignition switch wiring as there may be a loose or damaged wire causing the ignition switch to malfunction. Web dodge ignition switch connector. The one below the yellow one in the pic will also need power when you want to turn the.

Dodge Journey Ignition Switch And Wiring;


Replace it with a new dodge ram 1500 ignition switch from autozone today. This will disable the engine immobilizer, allowing you to start the engine. Dodge ram 1500 ignition system wiring harness.