Dodge Engine Cooling Diagram

Dodge Engine Cooling Diagram. The cooling system of cummins is being mentioned here. How to stop coolant leak there's.

2010 Dodge Ram 3500 Duct. Charge air cooler. Outlet. Outlet, without
2010 Dodge Ram 3500 Duct. Charge air cooler. Outlet. Outlet, without from www.moparpartsinc.com

Web remove the blower motor from the hvac housing by rotating and tilting the blower motor as needed for clearance. Web engine coolant flow diagram i have a dodge caravan se 2002 model. Once the coolant reaches a certain.

Web I Have A 1999 Dodge Cummins.


Its on the direct harness that attaches to the valve cover bolts. Parts like egr cooling system are shipped directly from authorized mopar dealers and. Web remove the blower motor from the hvac housing by rotating and tilting the blower motor as needed for clearance.

Web A Functional Cooling System Should Be Able To.


How to stop coolant leak there's. Web engine manuals you can access cummins owner’s manuals and wiring diagrams for engine products by esn with our engine manual lookup tool. The cooling system of cummins is being mentioned here.

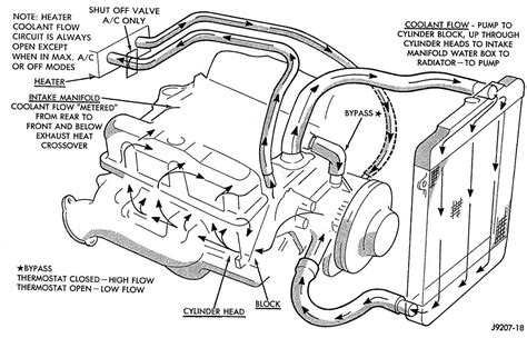
The First Use Of A Cooling System Diagram Is For Those Who Wish To Have More Understanding.


Web there is not a diagram showing the coolant flow with the hoses attached to the engine. Web recommended articles how to flush your radiator even though your dodge ram is cool, you might want to make sure it stays that way. The only one is the diagram i sent showing the flow at the pipes on the engine.

Web The Dodge Ram 6.7 Cummins Cooling System Diagram Illustrates How The Cooling System Of A Cummins Engine Works.


Web moparpartsgiant.com offers the wholesale prices for genuine 2015 ram 1500 parts. Web the best worded location i can give you is the bottom/back side of the driver head near the fire wall. Enhanced compacted graphite bedplate is bolted to.

Once The Coolant Reaches A Certain.


Coolant gets empty and there is vapor coming from the front. Web as the engine warms up, the thermostat valve begins to open, allowing coolant to flow through the engine to and from the radiator. Align and install the blower motor into.