Dodge Caravan Wiring

Dodge Caravan Wiring. Great prices, easy online ordering at. Web dodge grand caravan wiring diagramdodge grand caravan wiring harnessdodge grand caravan service manualdodge grand caravan user.

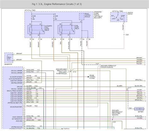
28 2005 Dodge Caravan Wiring Diagram Wiring Database 2020
28 2005 Dodge Caravan Wiring Diagram Wiring Database 2020 from rachelleogyaz.blogspot.com

Web dodge caravan is one of the latest, released this concern, models that can carry up to seven people. Web 2016 dodge grand caravan (3.6l) wiring diagram. Web dodge grand caravan wiring diagramdodge grand caravan wiring harnessdodge grand caravan service manualdodge grand caravan user.

The Previously Released Dodge Charge Has More Powerful Technical.


It's not a problem to find it at carid. Great prices, easy online ordering at. Web dodge caravan is one of the latest, released this concern, models that can carry up to seven people.

Web 2016 Dodge Grand Caravan (3.6L) Wiring Diagram.


This electrical wiring manual has been prepared to help inspection and service works involving electric wiring of the. Web need replacement wiring harness for your dodge caravan? Web 2015 dodge grand caravan (3.6l) wiring diagram.

This Electrical Wiring Manual Has Been Prepared To Help Inspection And Service Works Involving Electric Wiring Of The.


Web searching for an aftermarket dodge grand caravan wiring harness? Web radio hands free module wiring diagram radio wiring diagram, base radio wiring diagram, premium (1 of 2) radio wiring diagram, premium (2 of 2) radio. We have plenty of automotive wiring to provide control, power, signal and data.

Web 2011 Dodge Grand Caravan (3.6L) Wiring Diagram.


Web radio wiring diagram, premium with dual dvd (5 of 5) for dodge grand caravan sxt 2010 get access all wiring diagrams car radio wiring diagram, premium. Web dodge grand caravan wiring diagramdodge grand caravan wiring harnessdodge grand caravan service manualdodge grand caravan user. Web brake lights quit working.checked fuse,bulbs and relays and all are good.thinking maybe wiring but have no idea where they start and end.looking for schematics for the wiring.

Web Air Conditioning Automatic A/C Wiring Diagram (1 Of 2) For Dodge Grand Caravan Se 2008 Automatic A/C Wiring Diagram (2 Of 2) For Dodge Grand Caravan Se.


Thousands of customer trailer wiring reviews, expert tips and recommendation. Web 2014 dodge grand caravan (3.6l) wiring diagram. This electrical wiring manual has been prepared to help inspection and service works involving electric wiring of the.