Dodge Caliber Engine Wiring Harness

Dodge Caliber Engine Wiring Harness. Electrical wiring is really a potentially hazardous. Web find 2011 dodge caliber wiring harnesses standard harness length and get free shipping on orders over $109 at summit racing!

2008 Dodge Caliber TOne Vehicle Wiring Harness with 4Pole Flat
2008 Dodge Caliber TOne Vehicle Wiring Harness with 4Pole Flat from www.etrailer.com

Web equip cars, trucks & suvs with 2011 dodge caliber harnesses from autozone. Web engine swap full car wire harness swap brandon broderick member 2008 dodge caliber 1.8l 4 cyl 2wd manual 179,000 miles i have. Web dodge caliber 2007, engine wiring harness by mopar®.

Check Out Free Battery Charging And Engine Diagnostic Testing While You Are In Store.


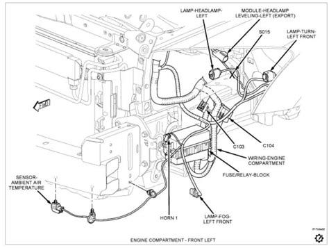
Dodge caliber 2007 wiring electrical circuit wiring diagram. Web 2007 dodge caliber auto 4wd 2.4l engine wiring harness cables vin k (8th digit) $249.95 free shipping sponsored caliber battery cable 2007 2008 2009 2010 2011. Web equip cars, trucks & suvs with 2011 dodge caliber harnesses from autozone.

Web Find Great Deals On Ebay For Dodge Caliber Wiring Harness.


Add your vehicle to get an exact fit. We go out of our way to. We have the best products at the right price.

Web Find 2011 Dodge Caliber Wiring Harnesses Standard Harness Length And Get Free Shipping On Orders Over $109 At Summit Racing!


Web find many great new & used options and get the best deals for 2010 dodge caliber 2.4l engine wiring wire harness vin b 8th digit factory at the best online prices at ebay!. Mopar® automatic transmission wiring harness. Web here at carparts.com, we have a wide selection of wiring harnesses suitable for various dodge models and different applications.

Web $42.30 Wve® Diagnostic Test Connector 0 # Mpn4650767489 Dodge Caliber 2011, Diagnostic Test Connector By Wve®.


Web at andy's auto sport, we have a huge variety of dodge engine wire harnesses to ensure that you have every engine wire harness option available to you. Web model engine most popular parts dodge caliber stereo wiring harness dodge caliber trailer wire harness and connector dodge caliber trailer brake control harness. Web contact us auto parts electrical and lighting 2007 dodge caliber harnesses what are you working on today?

Want Your Prized Possession To Look And Perform The Way It Was Designed To?


Electrical wiring is really a potentially hazardous. You can get a single wiring harness, a set of. Web $10.99 free shipping or best offer sponsored car battery terminal quick connector cable clamps clips auto accessories (fits: