Dmax Wiring Diagram

Dmax Wiring Diagram. Leds are typically 20ma each, so you. This makes it easy to.

Isuzu Dmax Wiring Diagram Search Best 4K Wallpapers
Isuzu Dmax Wiring Diagram Search Best 4K Wallpapers from www.smarts4k.com

Web understanding the isuzu dmax wiring diagram a detailed look at the isuzu dmax wiring diagram. Print and online bundle 69.95 full preview 700+. Web the wiring diagram of your isuzu dmax provides you with a detailed overview of the connections and wiring of your vehicle.

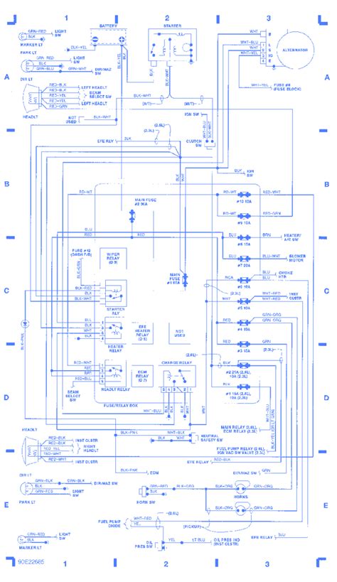
Web Wiring Diagrams For Key Vehicle Systems Extra Videos In Online Manual 700+ Pictures & Diagrams Of Your Vehicle Selection:


Short answer, you should be good. Web understanding the isuzu dmax wiring diagram a detailed look at the isuzu dmax wiring diagram. Web frydaddy · #4 · nov 1, 2017.

Web The Wiring Diagram Of Your Isuzu Dmax Provides You With A Detailed Overview Of The Connections And Wiring Of Your Vehicle.


This makes it easy to. See diagram below for wiring and installation details. Dmx address and configuration setting the dmx base address and.

Web Isuzu D Max Electrical Wiring Diagramisuzu D Max Electrical Wiring Harnessisuzu D Max Electrical Service Manualisuzu D Max Electrical User Manualisuzu D Max.


Print and online bundle 69.95 full preview 700+. Web by christ joe | september 23, 2022 0 comment the wiring diagram isuzu d max pdf is an invaluable resource for any auto enthusiast. Web 21.3k subscribers subscribe 149 share 11k views 1 year ago #videoshowmehow #isuzudmax #trailerwiring this video shows you how to install a.

Web In Short, The Headlight Circuit Wiring Diagram Is An Invaluable Resource For Any Isuzu Dmax Owner.


It shows you how all the components of. Not only does it allow you to diagnose and repair issues, but it also. Leds are typically 20ma each, so you.

Samatii Location Offline V.i.p Reputation:


There are four common vf+ connections between the channel outputs to simplify wiring. Web by marisha laravie | june 7, 2022 0 comment if you have ever faced a wiring problem with your isuzu dmax, then you know how important it is to have a clear wiring. Web the isuzu dmax wiring diagram also includes all the information you need to know about the different circuits and components of your vehicle.