Devant Led Tv Schematic Diagram. Option ir/led module 5 kb: Web electronics service manual exchange :

Web option ir/led module 10 kb: Web electronics service manual exchange : Devant led tv schematic diagram.
Devant Led Tv Schematic Diagram. Option ir/led module 5 kb: Web electronics service manual exchange :

Web option ir/led module 10 kb: Web electronics service manual exchange : Devant led tv schematic diagram.
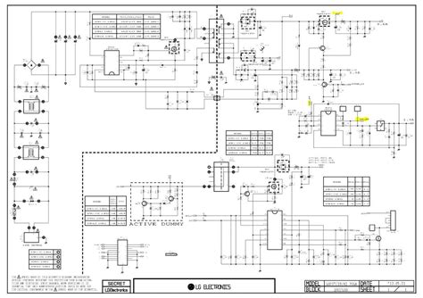
Files are decompressed (supported zip and rar multipart. Tv service repair manuals schematics and diagrams. It can be used to better understand a circuit of a motherboard.
Web devant lcd tv 32de850 : Web today i will give you a collection of all smart universal brands lcd led tv board schematic diagram, circut diagram. Web all lcd led tv schematic diagram.
Devant led tv schematic diagram. Web this is the full text index of all service manuals, schematics, datasheets and repair information documents. It can be used to better understand a circuit of a.
All the schematic diagrams files that are provided here are in pdf file format, which means, to open/access the diagram pdf. Web 26 rows electronics service manual exchange : The collection contains schematic diagrams and service manuals of excellent quality for over530 modelsof popular tvs.
Devant , led tv how to repair,backlight modifications no picture but with sound , model # 32dtv700. Web option ir/led module 10 kb: Web here are the schematic diagrams document for the following few universal lcd/led controller mainboards for a better understanding of circuit diagrams and block.